شناخت دقیق کاربرد خازن به عنوان یکی از مهم ترین قطعات الکترونیکی که تقریبا در همه مدارات به کار می رود، بسیار مهم است. در مقاله ((شناخت کامل خازن الکتریکی)) به صورت کامل مفاهیم اولیه مربوط به خازن توضیح داده شد. همچنین در مقاله ((معرفی انواع خازن الکتریکی)) مدل های مختلف خازن هایی که در مدارات مورد استفاده قرار می گیرند، معرفی شدند.
در این مقاله مهم ترین کاربردهای خازن الکتریکی در مدار به صورت کامل معرفی و بررسی خواهد شد.
خازن های دکوپلینگ یا بای پس
در مدارات مختلف در کنار پایه تغذیه آی سی ها از تعدادی خازن استفاده می شود که به آنها خازن های دکوپلینگ می گویند.

وظیفه خازن های دکوپلینگ حذف نویزهای فرکانس بالا و ریپل های کوچکی است که بر روی پین تغذیه آی سی ممکن است وجود داشته باشد و باعث بروز اشکال در عملکرد آی سی شود.
خازن های دکوپلینگ در واقع مانند یک منبع تغذیه محلی بسیار کوچک عمل می کنند. یعنی زمانی که ولتاژ منبع تغذیه اصلی دچار ریپل شود و افت لحظه ای کمی داشته باشد، خازن دکوپلینگ در این لحظه وارد عمل می شود و تغذیه آی سی را در سطح مورد نظر فراهم می کند. معمولا این موضوع به دلایل مختلف مثل راه اندازی اولیه مدار و جریان کشی اولیه بار خروجی اتفاق می افتد.
به همین دلیل به خازن های دکوپلینگ اصطلاحا، خازن بای پس هم گفته می شود. چون در زمان افت ولتاژ تغذیه، در واقع خازن دکوپلینگ منبع تغذیه را بای پس می کند.
در تصویر زیر نحوه قرارگیری خازن دکوپلینگ نشان داده شده است. دقت شود که خازن های دکوپلینگ مورد استفاده می توانند از چند مدل و در ظرفیت های مختلفی باشند. چون هر کدام از مدل های خازن، نویز با فرکانس مشخصی را بهتر فیلتر می کنند.

در مدار بالا از سه خازن دکوپلینگ برای کنترل و کاهش نویز در تغذیه آی سی استفاده شده است. خازن های ۰.۱uf از نوع خازن های سرامیکی و خازن ۱۰uf از نوع تانتالیوم است. هر کدام از آنها در بازه فرکانسی مشخصی، نویزهای تغذیه را حذف و کنترل می کنند.
با وجود خازن های دکوپلینگ، نویزهای فرکانس بالا از خازن عبور کرده و به زمین منتقل می شوند و ولتاژ ثابت DC به تغذیه آی سی خواهد رسید.
شیوه صحیح استفاده از خازن دکوپلینگ
نکته مهم دیگری که در زمان استفاده از خازن های دکوپلینگ باید توجه کنید این است که در زمان طراحی PCB و مونتاژ خازن در مدار، بایستی تا جای ممکن خازن دکوپلینگ به پایه های تغذیه آی سی نزدیک باشد تا بهترین و بیشترین اثربخشی را داشته باشد.

در تصویر زیر سه نمونه شکل موج مربوط به ولتاژ تغذیه یک آی سی آورده شده است. شکل موج بالا مربوط به ولتاژ تغذیه، بدون استفاده از خازن دکوپلینگ است. شکل موج وسط مربوط به ولتاژ تغذیه با خازن دکوپلینگ که در فاصله ۱۰cm از آی سی مونتاژ شده است. شکل موج پایین مربوط به ولتاژ تغذیه با خازن دکوپلینگ که دقیقا در کنار پایه های تغذیه مونتاژ شده است.

معمولا در دیتاشیت، مقدار و تعداد خازن های دکوپلینگ مورد نیاز برای تغذیه آی سی گفته می شود. حتما این موارد بررسی و رعایت کنید. اما پیشنهاد می شود در صورتی که در دیتاشیت اشاره ای به این موارد نشده، حتما به تعداد پین های تغذیه آی سی از خازن ۰.۱uf و همچنین یک عدد خازن ۱uf یا ۱۰uf به عنوان خازن دکوپلینگ استفاده کنید تا عملکرد آنها در مدار دچار مشکل نشود.
کاربرد خازن به عنوان فیلتر منبع تغذیه
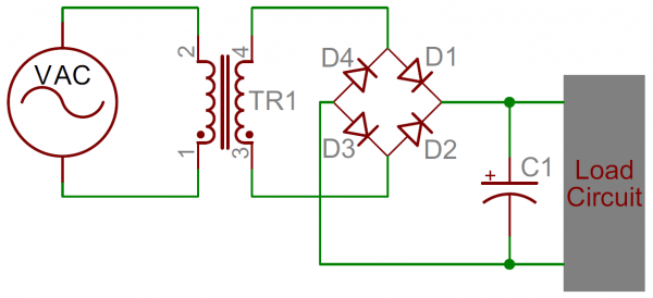
همان طور که می دانید می توان با استفاده از یکسوسازهای دیودی، یک شکل موج AC را به شکل موج DC تبدیل کرد. اما این شکل موج DC، ریپل بسیار زیادی دارد و برای بسیاری از مدارات مناسب نیست. برای حل این موضوع لازم است که از فیلترهای خازنی که به صورت موازی در خروجی یکسوسازهای دیودی قرار می گیرند استفاده کنید، تا ریپل ولتاژ را کنترل کرده و ولتاژ DC با کیفیت بسازید.

نحوه عملکرد فیلتر خازنی به این صورت است که، وقتی ولتاژ خروجی یکسوساز در حال افزایش است، خازن مطابق با این ولتاژ شارژ می شود. حال زمانی که ولتاژ خروجی یکسوساز، کاهشی می شود، وظیفه تامین ولتاژ خروجی بر عهده خازن خواهد بود. تا زمانی که مجددا، ولتاژ افزایش یابد و خازن مجددا شارژ گردد.
هرچه ظرفیت خازن بالاتر باشد، سرعت دشارژ خازن کمتر بوده و در نتیجه ریپل ولتاژ خروجی نیز کمتر می باشد.

خازن هایی که به عنوان فیلتر یکسوساز در منبع تغذیه به کار می روند معمولا از نوع الکترولیت هستند. آنها ظرفیت بالایی دارند، درنتیجه ابعاد آنها نیز نسبت به سایر خازن ها بزرگتر می باشد.

در تصویر بالا، مدار یک نمونه آداپتور تغذیه آورده شده است. ۴ عدد خازن الکترولیت با ظرفیت های مختلف بر روی این منبع تغذیه به کار رفته که بزرگترین آنها مربوط به فیلتر خازنی یکسوساز دیودی ورودی می شود.
کاربرد خازن به عنوان ذخیره انرژی
یکی از مهم ترین کاربردهای خازن، ذخیره انرژی الکتریکی و تحویل آن به مدار در زمان مناسب است، مشابه با عملکرد باتری. اما موضوع مهم این است که خازن ها توانایی ذخیره انرژی به مراتب کمتری نسبت به باتری دارند.
اما مزیت خازن نسبت به باتری این است که معمولا عمر بیشتری نسبت به باتری دارد. همچنین می توانند با سرعت بالاتری نسبت به باتری، شارژ و دشارژ شوند.

کاربرد خازن به عنوان فیلتر سیگنال
خازن ها فرکانس های پایین و یا سیگنال های DC را فیلتر کرده و اجازه عبور سیگنال ها با فرکانس های بالا را می دهند. در واقع خازن در فرکانس های بالا به صورت اتصال کوتاه عمل میکند.
فیلتر کردن سیگنال در انواع کاربردهای پردازش سیگنال بسیار مهم و مفید می باشد. به طور مثال گیرنده های رادیویی، از خازن(در کنار سایر قطعات الکترونیکی) برای حذف فرکانس ها و نویزها نامطلوب استفاده می کنند.
به عنوان مثال دیگر، در بعضی از اسپیکرها مشابه با تصویر زیر، با استفاده از فیلترهای متقاطع یک سیگنال صوتی را به چند بخش تقسیم می کنند. خازنی که به صورت سری در مدار قرار گرفته، بخش فرکانس پایین صدا را فیلتر می کند و بخش فرکانس بالا به Tweeter در اسپیکر منتقل می شود. خازنی که به صورت موازی در مدار قرار گرفته، فرکانس های بالا را فیلتر کرده و فرکانس های پایین به بخش Subwoofer در اسپیکر منتقل خواهد شد.

امیدواریم این آموزش اطلاعات مناسبی را در اختیار شما قرار داده باشد. با ارائه نظرات، پیشنهادات و انتقادات خود ما را در هرچه بهتر شدن ارائه مطالب یاری کنید.
میانگین امتیاز ۳.۷ / ۵. تعداد رای: ۳
