دیود یکی از اجزای کلیدی در مدارهای الکترونیکی است که نقش بسیار مهمی در عملکرد صحیح مدارها ایفا میکند. این قطعه الکترونیکی به دلیل ویژگیهای منحصربهفردش در کنترل جهت جریان الکتریکی، کاربردهای گستردهای در مدارهای مختلف پیدا کرده است. در مقاله ((دیود چیست؟|معرفی و نحوه عملکرد)) ساختار و نحوه عملکرد دیود در مدار مورد بررسی قرار گرفت. همچنین در مقاله ((معرفی انواع دیود | بررسی مشخصات و ویژگی ها))، مدل های مختلف دیود و ویژگی هر کدام معرفی شدند. در این مقاله به بررسی دقیق کاربرد دیود در مدارهای الکترونیکی میپردازیم و به نقش آن در بهبود عملکرد سیستم های الکتریکی اشاره می کنیم.
دیود چیست؟
دیود یک قطعه نیمههادی است که اجازه میدهد جریان الکتریکی تنها در یک جهت از آن عبور کند. این خاصیت دیود باعث میشود که در بسیاری از کاربردهای الکترونیکی، از آن بهعنوان یک سوئیچ یکطرفه استفاده شود.
مهم ترین کاربرد دیود در مدارات الکترونیکی
یکسوسازها (Rectifiers)
رایجترین کاربرد دیود، استفاده از آن در یکسوسازها است. یکسوساز مداری است که شکل موج متناوب یا AC را به شکل موج غیرمتناوب یا DC تبدیل می کند. یکسوسازها معمولاً در منابع تغذیه الکترونیکی استفاده میشوند تا ولتاژ AC را به ولتاژ DC مناسب برای دستگاههای الکترونیکی تبدیل کنند. این کاربرد دیود در مدارهای مختلف از اهمیت بسیاری برخوردار است.
انواع مدار یکسوساز
به صورت کلی دو نوع مدار یکسوساز شکل موج AC وجود دارند: یکسوساز نیم موج و یکسوساز تمام موج.
مدار یکسوساز نیم موج
در مدار یکسوساز نیم موج از یک دیود استفاده می شود. در این مدار در نیم سیکل مثبت سیگنال ورودی، دیود در بایاس مستقیم قرار دارد و در نتیجه سیگنال از دیود عبور می کند اما در نیم سیکل منفی سیگنال ورودی، دیود در بایاس معکوس قرار می گیرد و اجازه عبور سیگنال را نمی دهد. بنابراین فقط بخش مثبت سیگنال ورودی اجازه عبور پیدا می کند.
در تصویر زیر مدار یکسوساز نیم موج و شکل موج های ورودی و خروجی آن آورده شده است:

مدار یکسوساز تمام موج
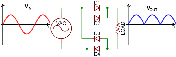
در مدار یکسوساز تمام موج، از چهار دیود استفاده می شود. در این مدار مطابق با تصویر زیر در نیم سیکل مثبت سیگنال ورودی، دیودهای D1 و D4 در بایاس مستقیم قرار می گیرند و اجازه عبور سیگنال را می دهند. در نیم سیکل منفی سیگنال ورودی دیودهای D2 و D3 در بایاس مستقیم قرار گرفته و سیگنال را از خود عبور می دهند.
در نتیجه هم نیم سیکل مثبت و هم نیم سیکل منفی از این مدار یکسوساز عبور می کند.
در تصویر زیر مدار یکسوساز تمام موج دیودی همراه با شکل موج ورودی و خروجی آن آورده شده است.

مدار یکسوساز تمام موج دیودی بخش اصلی تمامی منابع تغذیه AC به DC می باشد که ولتاژ ۱۲۰VAC و یا ۲۴۰VAC یا به ولتاژ ۳.۳VDC، ۵VDC، ۱۲VDC و … تبدیل می کند. تصویر زیر یک نمونه منبع تغذیه دیواری را نشان می دهد که مدار یکسوساز دیودی در ورودی آن مشاهده می شود.

محافظت از مدار (Protection)
دیودها به عنوان محافظتکننده مدارها در برابر جریانها یا ولتاژهای معکوس استفاده میشوند.
در مداراتی که به منبع تغذیه DC متصل می شوند، در صورتی که پلاریته تغذیه DC به صورت اشتباه به مدار متصل شود، امکان آسیب دیدن و سوختن بعضی از قطعات مدار وجود خواهد داشت.
برای رفع این موضوع می توان از یک دیود به صورت سری در ورودی مدار استفاده کرد. در این حالت فقط در صورتی که پلاریته ولتاژ ورودی به درستی متصل شود، جریان در مدار برقرار خواهد شد. در غیر این صورت با توجه به اینکه دیود اجازه عبور جریان را نمی دهد، مدار روشن نخواهد شد.

این کاربرد دیود در مداراتی موثر و مفید است که برای کانکتور ورودی تغذیه مدار، هیچ گونه علامتی برای تعیین پلاریته تغذیه انجام نشده است. در نتیجه در این مدارات با به کار بردن این دیود می توان بدون هیچ گونه نگرانی کانکتور تغذیه را متصل کرد و اگر جهت اتصال اشتباه باشد، مدار کار نخواهد کرد.

تنها ایرادی که می توان از این کار گرفت مقدار ولتاژ هدایت دیود در بایاس مستقیم است که باعث افت ولتاژ تغذیه ورودی مدار خواهد شد. برای حل این مشکل می توان از دیودهای شاتکی استفاده کرد که ولتاژ هدایت پایینی دارند.
کنترل ولتاژ (Voltage Regulation)
دیودها به خصوص دیودهای زنر (Zener Diodes) یکی از مهمترین ابزارها برای کنترل و تثبیت ولتاژ هستند. این دیودها در بایاس معکوس کار میکنند و در ولتاژ معینی شکسته میشوند، که باعث میشود جریان اضافی از دیود عبور کند و ولتاژ در آن نقطه ثابت بماند. کاربرد دیودهای زنر در منابع تغذیه و تنظیمکنندههای ولتاژ بسیار رایج است.

تولید نور (LED)
دیود نوری یا همان LED یکی از پرکاربردترین انواع دیودها در مدارات الکترونیکی است که برای تولید نور استفاده میشود. این دیودها در تجهیزات مختلف مانند نمایشگرها، چراغها، و حتی در دستگاههای ارتباطی استفاده میشوند. LEDها به دلیل مصرف کم انرژی و عمر طولانی بسیار مورد توجه قرار گرفتهاند.

گیت های منطقی
می توان گیت های منطقی ساده مانند AND و یا OR را با استفاده از دیودها ساخت.
به طور مثال گیت منطقی OR را می توان با استفاده از دو دیود که کاتدها آنها به یکدیگر متصل شده اند ساخت. آند هر کدام از این دیودها به عنوان ورودی های گیت منطقی و کاتد آنها به عنوان خروجی گیت می باشد. در صورتی که یکی از ورودی ها و یا هر دو ورودی در وضعیت ۱ منطقی قرار داشته باشند، خروجی نیز ۱ منطقی خواهد بود. زمانی که هر دو ورودی در وضعیت ۰ منطقی باشند، خروجی با استفاده از مقاومت pull down صفر خواهد بود.

همچنین گیت AND منطقی را می توان مطابق با مدار زیر ساخت. در این حالت خروجی گیت، همان آندهای دیودهاست که به یکدیگر متصل شده و با استفاده از یک مقاومت Pull Up شده است. ورودی های گیت هم پین های کاتد هر کدام از دیودها هستند.
وقتی هر دو ورودی در وضعیت ۱ منطقی قرار دارند، خروجی هم در وضعیت ۱ منطقی خواهد بود. اما زمانی که هر کدام از ورودی ها در وضعیت ۰ منطقی قرار گیرد، خروجی هم در وضعیت ۰ منطقی قرار می گیرد.

برای هر کدام از گیت هایی که معرفی شدند، می توان با اضافه کردن یک دیود، ورودی های گیت منطقی را افزایش داد.
دیود هرزگرد
یکی از کاربردهای بسیار مهم دیودها، استفاده از آنها به عنوان دیود هرزگرد است. دیود هرزگرد دیودی است که به دو سر یک بار القایی یا سلفی مانند رله یا موتور متصل می شود تا از ولتاژ بالای لحظه کلید زنی جلوگیری کند.

زمانی که یک سلف به یک منبع ولتاژ DC متصل می شود، جریان الکتریکی ثابت از آن عبور می کند. حال اگر به هر دلیلی به یکباره جهت جریان تغییر کند و یا قطع گردد، به دلیل خاصیت الکترومغناطیسی که در سلف وجود دارد و طبق قانون القای فارادی، یک ولتاژ القایی بزرگ به دو سر سلف القا می شود.
دیود هرزگردی که در دو سر سلف قرار گرفته است در حالت عادی در بایاس معکوس قرار دارد، اما در زمان تغییر جهت جریان و ایجاد ولتاژ القایی بزرگ، در بایاس مستقیم قرار می گیرد و جریان سلف را از خود عبور می دهد تا در نهایت این جریان در حلقه ایجاد شده مابین سلف و دیود، تلف شود.
در صورتی که از دیود هرزگرد در این مدارات استفاده نشود، به دلیل القای ولتاژ بسیار بالا در دو سر سلف، ترانزیستور و یا کلید راه انداز سلف حتما آسیب خواهد دید.
نتیجهگیری
دیود بهعنوان یکی از اجزای اصلی مدارهای الکترونیکی، کاربردهای متنوعی در صنایع مختلف دارد. از یکسوکنندهها و منابع تغذیه گرفته تا مدارات حفاظتی و LEDها، دیودها نقش بسیار مهمی در بهبود کارایی و عملکرد سیستمهای الکترونیکی ایفا میکنند. انتخاب صحیح نوع دیود با توجه به نیازهای خاص هر مدار، میتواند به بهبود کارایی و پایداری مدار کمک کند. این قطعه کوچک با تواناییهای بزرگ خود، بخشی ضروری از فناوریهای مدرن بهشمار میرود.
امیدواریم این آموزش اطلاعات مناسبی را در اختیار شما قرار داده باشد. با ارائه نظرات، پیشنهادات و انتقادات خود ما را در هرچه بهتر شدن ارائه مطالب یاری کنید.
میانگین امتیاز ۴.۳ / ۵. تعداد رای: ۶
